第一章 竞争性谈判邀请函
因学校建设需要,拟采用竞争性谈判方式确定玉兰居北楼加装电梯工程施工单位,欢迎具备相关资质的供应商参加竞争性谈判。
一、采购项目:玉兰居北楼加装电梯工程
二、采购形式:竞争性谈判
三、采购单位:武汉生物工程学院(武汉市阳逻经济开发区汉施路1#)
四、谈判供应商资格要求
1.投标人应具备《中华人民共和国政府采购法》第22条规定的条件;
2.投标人必须是在中华人民共和国境内注册并取得营业执照的独立法人,具有相应经营范围和钢结构工程贰级及以上专业资质(《建筑业企业资质证书》企业名称需与投标单位名称完全一致);
3.投标人参加本项目投标活动前三年内,在经营活动中无犯罪、违法、违纪、违规行为(包括约谈);
4.本项目不接受联合体投标,项目执行过程中不允许转包、分包;
5.投标单位负责人为同一人或者存在直接控股、管理关系的不同投标人,不得同时参加本项目投标;
6.在我校曾有不良施工记录的单位,不予接收投标。
五、相关事宜
1.谈判保证金:
1)谈判保证金:壹万元;
2)谈判保证金缴纳截止时间:2024年11月21日17:00;
3)缴纳地点:财务处(长青楼一楼127室);
4)其他:若未中标则此款在结果公示次日起7日内无息退还,若中标此款即转为履约保证金,有下列情况之一者此款不予退还:
①投标人递交谈判响应文件后不参加谈判的;
②不按竞争性谈判文件规定提交谈判响应文件的;
③在谈判有效期内撤回投标的;
④在谈判过程中弄虚作假、串通投标等行为的;
⑤中标后恶意弃标的。
2.现场踏勘时间:2024年11月20日9:30,联系人:周老师027-89648890,集合地点:玉西楼109会议室。
3.文件递交:投标人须在2024年11月21日17:00前凭我校财务处开具的谈判保证金收据前往监察处办理谈判登记和谈判文件递交手续(长青楼323室)。未缴纳谈判保证金或谈判登记手续不得参加竞争性谈判。谈判文件外包装且加盖密封章,逾期送达不予以接受,视为自动放弃,不参加本次谈判。
4.谈判时间、地点:另行通知
六、联系方式
商务咨询:周老师 027-89648890
技术咨询:阮老师 027-89648668
投诉电话:张老师 027-89649680
七、付款方式:项目完工并经验收合格后,付全部货款的95%,另5%作为质保金,质保期满并经复验合格后支付。
第二章 谈判人须知
一、谈判文件的组成
谈判文件一式四份,其中正本一份,副本三份,文件应密封,封口处加盖骑缝章,否则视为投标无效。其组成至少包含:
1.封面及目录(封面上应注明项目名称、谈判供应商名称、联系人、联系电话,并正确标明“正本”、“副本”字样);
2.开标一览表。此项须分项注明标的物的名称、价格、施工工期、质保期以及是否响应招标文件的要求;
3.公司营业执照复印件、法人授权书、钢结构工程专业资质证书等商务文本;
4.投标人对投标标的、投标过程合法性的承诺;
5.企业近三年的财务状况报告(表);
6.企业近三年内类似业绩一览表(须提供相应合同复印件);
7.产品售后服务的内容;
8.技术偏离表(投标文件中未响应招标文件的详细描述);
9.投标文件正本、副本不一致的,以正本为准;投标文件中的大写金额和小写金额不一致的,以大写金额为准;总价金额与单价金额不一致的,以单价金额为准,但单价金额小数点有明显错误的除外。结算单位为人民币。
二、谈判文件的澄清
投标人若对谈判文件存在疑问需要澄清,应在获取招标文件后,按招标文件规定的时间、地点以书面形式递交,招标人将对收到的疑问当面予以答复。
三、投标费用
投标费用系指投标人承担的所有与准备和递交谈判文件有关的费用。无论投标过程和结果如何,招标人在任何情况下不负担投标人因本次投标所发生的一切费用。
四、投标人应阅读竞争性谈判公告中所有须知、格式、条款等要求,投标人未按竞争性谈判公告要求提供全部资料或提交的谈判文件未对竞争性谈判公告做出实质性响应,投标人将承担谈判文件可能被拒绝的风险。
五、投标报价要求
投标人根据市场行情、企业自身实力,结合本项目特点及风险,自主确定供货单价,中标后总价一次包死。
六、在评标期间,评标小组可能就投标文件向有关投标人进行询标,届时投标人须有熟悉投标方案并能决定投标文件中有关条款的授权代表参加。
七、本次招标活动的最终解释权属武汉生物工程学院。
第三章 技术要求
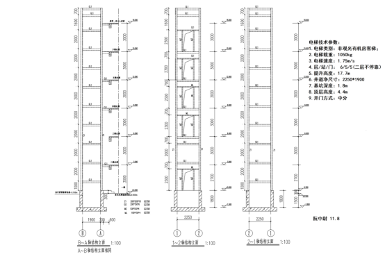
1.电梯技术参数:
(1)电梯类别:非观光有机房客梯;
(2)电梯载重:1050kg
(3)电梯速度:1.75m/s
(4)层/站/门:6/5/5(二层不停靠)
(5)提升高度:17.7m
(6)井道净尺寸:2250*1900
(7)基坑深度:1.8m
(8)顶层高度:4.4m
(9)开门方式:中分
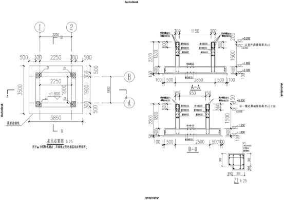
2.具体设计方案见设计图纸。




武汉生物工程学院资产与采购招标管理处
2024年11月15日